D941w-16c/16p Electric Ventilation Butterfly Valve
FEATURES
1. It features a simple structure, large diameter, light weight and convenient operation.
2. It features a small driving torque, flexible opening and closing, and convenient operation.
3. It can be installed at multiple stations and is not affected by the medium.
4. An oil seal retaining ring is set on the valve body. There is no visible gap between the sealing pairs, resulting in a low leakage rate.
5. The expansion gap between the butterfly plate and the valve body is large, which can effectively prevent jamming caused by thermal expansion and contraction.
PARAMETER
• DESIGN & MANUFACTURE:JB/T8692
• CONECTION END STD:JB/T8692
• TEST & INSPECT:JB/T8692
• NOMINAL DIAMETER:DN50~DN2800 NPS 2~NPS 112
• RATING:PN1.0/PN2.5/PN6/PN10/PN16;
• BODY MATERIAL:Q235、316L、2520、2205、2507
• DISC MATERIAL:Q235、316L、2520、2205、2507
• SHAFT MATERIAL:45、316L、2520、2205、2507
• SEAT MATERIAL:METAL HARD-SEAL
• PACKING:FLEXIBLE GRAPHITE
• APPLICABLE MEDIA:GAS、SMOKE,ETC.
• SUITABLE TEMPERATURE:-29~1100℃
• LEAKAGE CLASS:CLASS IIV、CLASS IV、CLASS V
• CONECTION END:WAFER、FLANGE
• ACTUATOR:MANUAL、GEAR、ELECTRIC、PNEUMATIC
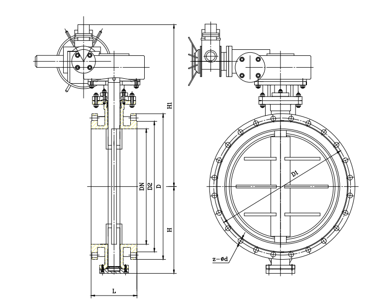
PRODUCT STRUCTURE FEATURES

D941welectric Ventilation Butterfly Valve Main Parameters
|
Nominal pressure(MPa)
|
0.05MPa
|
Medium temperature
|
-30℃~-350℃
|
|
Strength test
|
0.1MPa
|
Applicable medium
|
Cold and hot air, smoke and gas
|
|
Medium flow rate
|
25m/s
|
Leakage rate
|
3%
|
D941welectric Ventilation Butterfly Valve Main Part Materials
|
Part name
|
Body
|
Valve plate
|
Valve shaft
|
|
Materials
|
Carbon steel
|
Carbon steel
|
Carbon steel, stainless steel
|
D941welectric Ventilation Butterfly Valve Main Shape Connection Dimensional unit:mm
|
DN
|
D
|
D1
|
L
|
L1
|
L2
|
n-Фd
|
b
|
|
300
|
405
|
370
|
120
|
716
|
220
|
8-12
|
10
|
|
350
|
455
|
420
|
140
|
786
|
240
|
8-14
|
10
|
|
400
|
505
|
470
|
140
|
924
|
270
|
12-18
|
10
|
|
450
|
570
|
530
|
160
|
999
|
295
|
12-18
|
10
|
|
500
|
620
|
580
|
160
|
1079
|
325
|
12-18
|
10
|
|
600
|
720
|
680
|
180
|
1140
|
380
|
16-18
|
12
|
|
700
|
820
|
780
|
180
|
1240
|
430
|
16-18
|
12
|
|
800
|
920
|
880
|
200
|
1344
|
490
|
16-18
|
12
|
|
900
|
1040
|
990
|
200
|
1444
|
540
|
16-18
|
14
|
|
1000
|
1140
|
1090
|
220
|
1544
|
590
|
20-18
|
14
|
|
1100
|
1240
|
1190
|
220
|
1644
|
640
|
20-18
|
14
|
|
1200
|
1340
|
1290
|
240
|
1744
|
690
|
20-18
|
14
|
|
1300
|
1440
|
1390
|
240
|
1864
|
760
|
20-18
|
16
|
|
1400
|
1540
|
1490
|
260
|
2020
|
810
|
24-18
|
16
|
|
1500
|
1640
|
1590
|
260
|
2120
|
860
|
24-18
|
16
|
|
1600
|
1740
|
1690
|
280
|
2240
|
980
|
24-18
|
16
|
|
1700
|
1840
|
1790
|
280
|
2340
|
1030
|
28-22
|
16
|
|
1800
|
1940
|
1890
|
300
|
2440
|
1096
|
28-22
|
16
|
|
1900
|
2040
|
1990
|
300
|
2540
|
1146
|
32-22
|
16
|
|
2000
|
2150
|
2090
|
320
|
2640
|
1196
|
32-26
|
16
|
|
2200
|
2360
|
2300
|
340
|
3252
|
1296
|
36-26
|
16
|
|
2400
|
2560
|
2500
|
360
|
3452
|
1396
|
36-26
|
18
|
|
2600
|
2760
|
2700
|
380
|
3652
|
1496
|
40-26
|
18
|
|
2800
|
2960
|
2900
|
400
|
3852
|
1596
|
40-26
|
18
|
|
3000
|
3190
|
3110
|
400
|
3896
|
1698
|
44-30
|
18
|
|
3200
|
3390
|
3310
|
440
|
4110
|
1798
|
44-30
|
20
|
|
3400
|
3590
|
3510
|
440
|
4396
|
1898
|
48-30
|
20
|
|
3600
|
3790
|
3710
|
480
|
4636
|
1998
|
48-30
|
20
|
|
3800
|
4000
|
3910
|
480
|
4886
|
2098
|
52-30
|
22
|
|
4000
|
4210
|
4120
|
520
|
5160
|
2210
|
52-30
|
22
|
APPLICATION
Dusty gas, air, gas, high-temperature flue gas

